产品质量是企业的生命,用户是企业生命的源泉
联系我们
|
关于我们
023-62817711
023-62836904
网站首页
公司简介
产品中心
| 粉煤气化新产品系列
| 尿素级新型高压调节阀
| CV3000系列调节阀
| 高性能球阀系列
| 高性能蝶阀系列
| 自力式阀系列
案例展示
调节阀选型指南
| CV值结算公式
| 调节阀泄漏标准
| 配管法兰尺寸
| 各种流体的物理常数
| 材料耐腐蚀表
新闻资讯
联系我们
当前位置:
首页
>>
调节阀泄漏标准
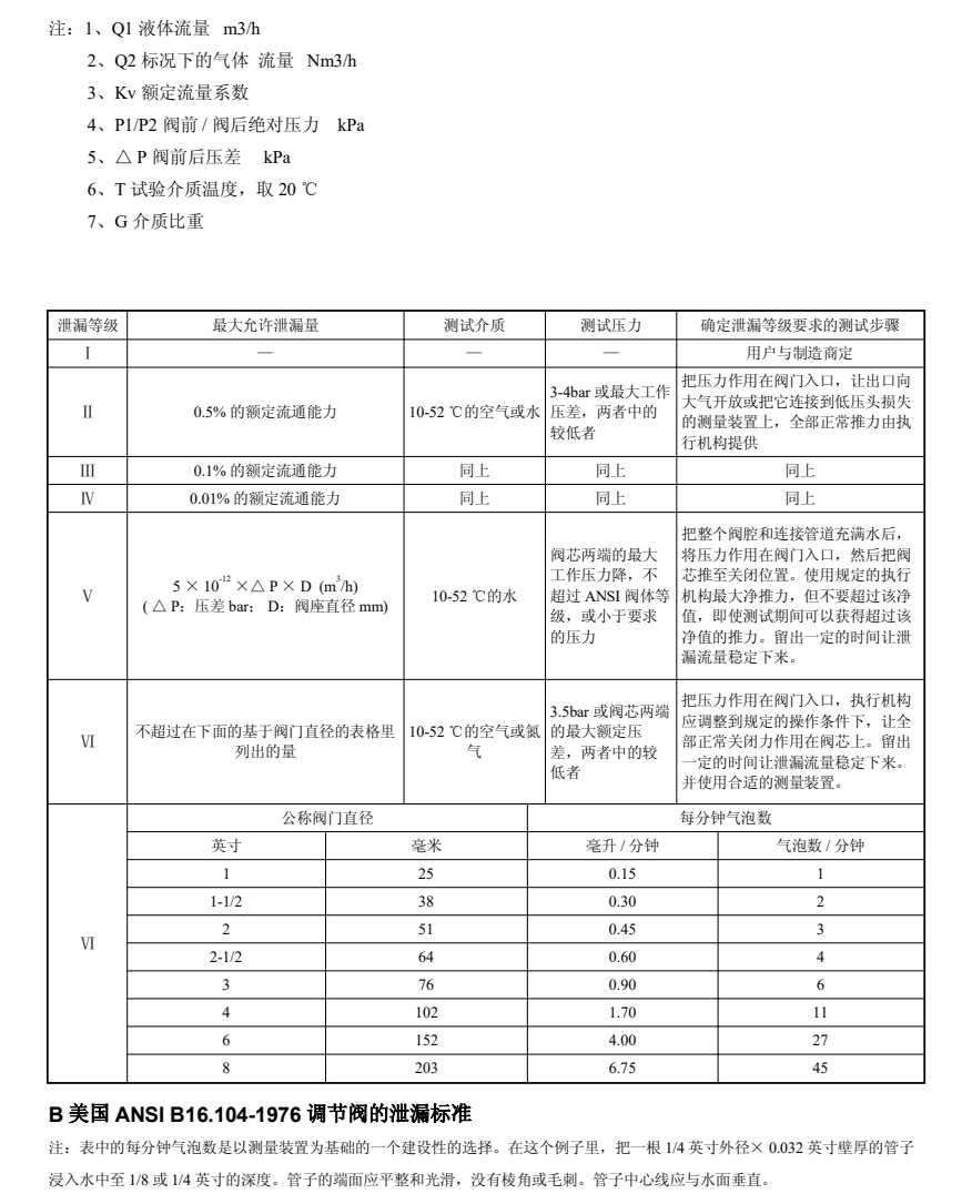
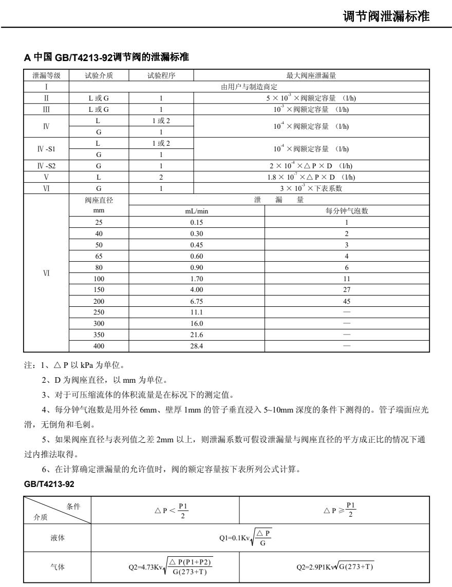
调节阀泄漏标准
CV值结算公式
调节阀泄漏标准
配管法兰尺寸
各种流体的物理常数
材料耐腐蚀表
扫一扫
关注我们
联系我们
电话:023-62817711
传真:023-62836904
地址:重庆市渝北区花朝工业园区A4栋
邮箱:cqnanyi@163.com
在线咨询
返回顶部
023-62817711
023-62836904
微信二维码