023-62817711
023-62836904
重庆南坪自动化仪表厂有限公司
二维码
扫一扫
关注我们
联系我们
联系我们

电话:023-62817711

传真:023-62836904

地址:重庆市渝北区花朝工业园区A4栋

邮箱:cqnanyi@163.com

在线咨询

HLSKC小口径单座快速切断阀

发布日期:2022-05-30

更新作者:admin

所属分类: 产品中心

产品简介:HLSKC小口径单座快速切断阀

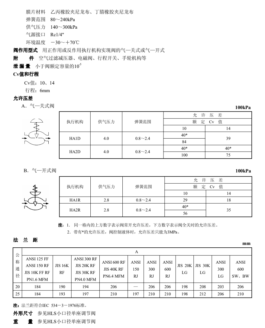
详情内容/ Content details

image.png

image.png